注塑模具主模仁的2D加工图是模具设计与制造过程中的核心文件,它详细展示了主模仁的尺寸、形状、加工要求及其他相关信息,为后续的精密模具加工和装配提供了精确的指导。本案例完整展示主模仁2D加工图的标注规范与技术要求。
图纸标注规范
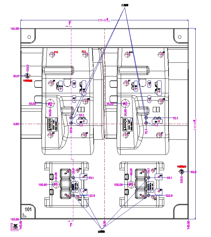
如图所示,专业的模具2D加工图标注包含以下要素:基准标注、尺寸公差、形位公差、表面粗糙度等完整技术规范,确保加工精度和制造质量。
设计图纸展示
1.1 主模仁2D加工图标注规范
展示主模仁2D加工图的完整标注规范,包括基准标注、尺寸公差、形位公差、表面粗糙度等关键技术要求,确保加工精度。
1.2 主模仁加工图正面视图
展示主模仁加工图的正面结构特征,包括型腔形状、冷却水路布局、顶针孔位置、排气槽设计等关键信息。
1.3 主模仁顶针加工表
详细列出所有顶针的规格信息,包括顶针直径、长度、材质、热处理要求、数量和安装位置等,为顶针加工提供明确指导。
1.4 主模仁顶针规格统计表
提供顶针规格的统计表格,作为物料采购依据、加工数量统计、成本核算参考和库存管理依据,确保物料管理有序。
2D加工图技术规范
| 标注项目 |
技术要求 |
标准规范 |
| 基准标注 |
明确加工基准面,确保加工精度 |
GB/T 1182-2008 |
| 尺寸公差 |
关键尺寸公差±0.01mm,一般尺寸±0.02mm |
GB/T 1804-2000 |
| 形位公差 |
平行度0.01mm,垂直度0.01mm,同心度0.005mm |
GB/T 1184-1996 |
| 表面粗糙度 |
成型面Ra0.4,配合面Ra0.8,非配合面Ra3.2 |
GB/T 1031-2009 |
| 技术要求说明 |
去毛刺、倒角R0.2、防锈处理、标识要求 |
企业标准/客户要求 |
图纸标注要点
完整性原则
图纸必须包含所有必要的视图、剖视图、局部放大图,确保加工人员能够完全理解零件结构和加工要求。
清晰性原则
标注应清晰、准确、无歧义,尺寸链完整,避免重复标注和遗漏,确保加工过程无误解。
合理性原则
公差设计应合理,既要满足功能要求,又要考虑加工成本和工艺可行性,实现技术经济性的平衡。
中正通模具设计服务优势
作为专业的昆山模具设计服务商,我们在主模仁2D加工图设计方面拥有以下优势: